병렬 브리지다이오드

병렬 브리지다이오드

  1. 전자부품
    1. 브리지다이오드
      1. 병렬 브리지다이오드 - 이 페이지
  2. 정보
    1. 용어: Bridge rectifier in parallel
    2. 다이오드를 병렬로 사용하지 않는 이유
      1. 다이오드마다 (특히 서로 다른 제조 로트 제품인 경우) Vf가 다르기 때문에 Vf가 가장 낮은 다이오드로 더 많은 전류가 흐르고, 뜨거워지면 더 Vf가 낮아져(=저항이 낮아져) 해당 다이오드로 더욱더 전류가 많이 흐른다.
      2. 결국, 해당 다이오드가 불타버리고, 다음 다이오드가 이 전류를 이어받아 동일한 불량 현상이 발생된다.
    3. 가장 쉽게 생각되는 (문제가 되는) 병렬 사용방법.
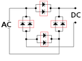
    4. 어쩔 수 없이 병렬로 사용해야 한다면
      1. 아래 그림처럼 사용하면 된다.
      2. TO-220 플라스틱 패키지를 사용하는 3단자 쇼트키 정류기처럼 동일한 다이로 두 개의 다이오드를 사용할 수 있다.
      3. 브리지 다이오드는 아래와 같은 방법을 사용할 수 있다. 이 또한 하나의 패키지에서 두 개의 다이오드를 병렬로 동작하는 방법이다.
  3. 발견
    1. JCH-PC41510, 링킨 150W PD 충전기에서 1차측